Mobirise Website Builder

GRAB DIFFERENTIAL LIMIT SWITCH

APPLICATION

  • Used in grabbing cranes to monitor and control the open and close positions of the grab.
  • Prevents overtravel, overloading, and improper grabbing by signaling the control system.
  • Ensures proper sequence of operation for opening, closing, and hoisting functions.
  • Suitable for bulk material handling systems like coal, ore, sand, etc.

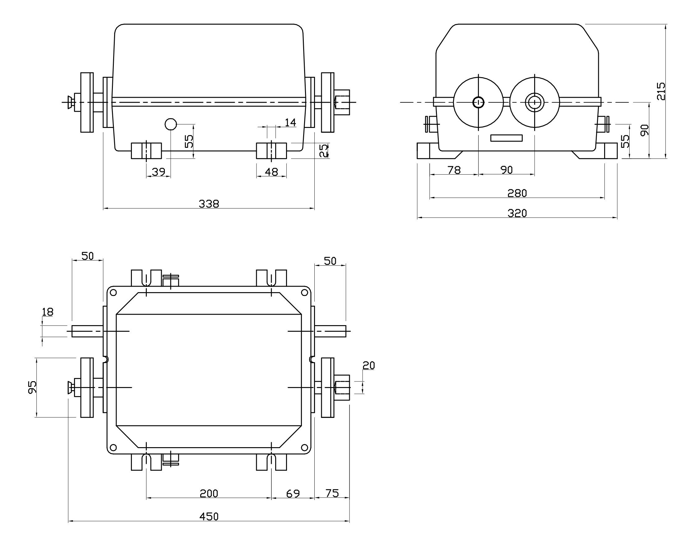
CONSTRUCTION

  • Housed in a robust metal enclosure (usually cast aluminum or cast iron) – dust and weather resistant (IP 55/IP 65).
  • Equipped with two separate cams mounted on a common camshaft, each for:    
    ~ Grab Open position
    ~ Grab Close position
  • Contains limit switch elements (snap-action type) actuated by the cams.
  • A spline or keyed shaft is provided for rotary motion input (generally driven through a gear or chain from the hoisting drum or rope drum).
  • Terminal block inside for wiring connections.

MODE OF OPERATION

  • The shaft of the limit switch is mechanically coupled with the hoisting drum.
  • As the drum rotates during the grab operation, the camshaft also rotates.
  • Cams are pre-set to engage at specific drum positions corresponding to:
    ~ Fully open grab
    ~ Fully closed grab
  • When the cam actuates the corresponding limit switch, it sends a signal to the control circuit to:
    ~ Stop the motor
    ~ Reverse operation
    ~ Initiate next control logic
  • Ensures that grab opening/closing is synchronized with hoisting motion to prevent mechanical failure.

INSTALLATION

  • Mounted rigidly on the crane frame or a nearby support structure.
  • Shaft is connected to the drum shaft or geared drive using a flexible coupling or chain drive.
  • Cams are adjusted to actuate at desired drum positions.
  • Electrical connections are made to the control panel, following standard wiring practices.
  • Must be tested for correct actuation timing before commissioning.
  • Ensure proper mechanical alignment to prevent cam slip or shaft wear.
Mobirise Website Builder

ENQUIRY FORM

Address:

R - 638, T.T.C. Industrial Area, MIDC Industrial Area, Rabale, Navi Mumbai, Maharashtra 400701 

Feedback
  • Please send us your ideas, bug reports, suggestions! Any feedback would be appreciated.