Mobirise Website Builder

D.C. ELECTRO MAGNETIC DISC BRAKES (MODEL - DCEMB)

Meetech Industries make Electromagnetic brakes are used in conjunction with other equipments where smooth, rapid and dependable stopping is required. Electromagnetic DBM brakes are electrically released & spring set. When the coil is energized the armature are attracted together to compress the torque spring and move the shoes away from the wheel, thus releasing the brake. De-energizing the coil allows the torque spring to separate the armatures and press the shoes against the wheel setting the brakes thus making it fail safe in the event of power failure.

FEATURES

  • COIL: The encapsulated thermal class ’F’ coil is in a sheet steel housing for complete environmental protection.
  • MAGNET: The two identical magnetic steel armature offers a powerful short stroke magnet system.
  • SHOE LINING: Asbestos base shoe linings are selected to offer a high co-efficient of friction and low wear. The shoe linings are firmly riveted to the shoes and are easy to replace.
  • SHOE ADJUSMENT: The brake shoes are so arranged that the drum is aligned with ease and simplicity while installation
  • TORQUE SETTLING: The braking torque can be adjusted step less in the specified range by adjusting the nut. The nut is first turned clockwise to positive stop and then turned anti-clockwise to get the desired braking torque.

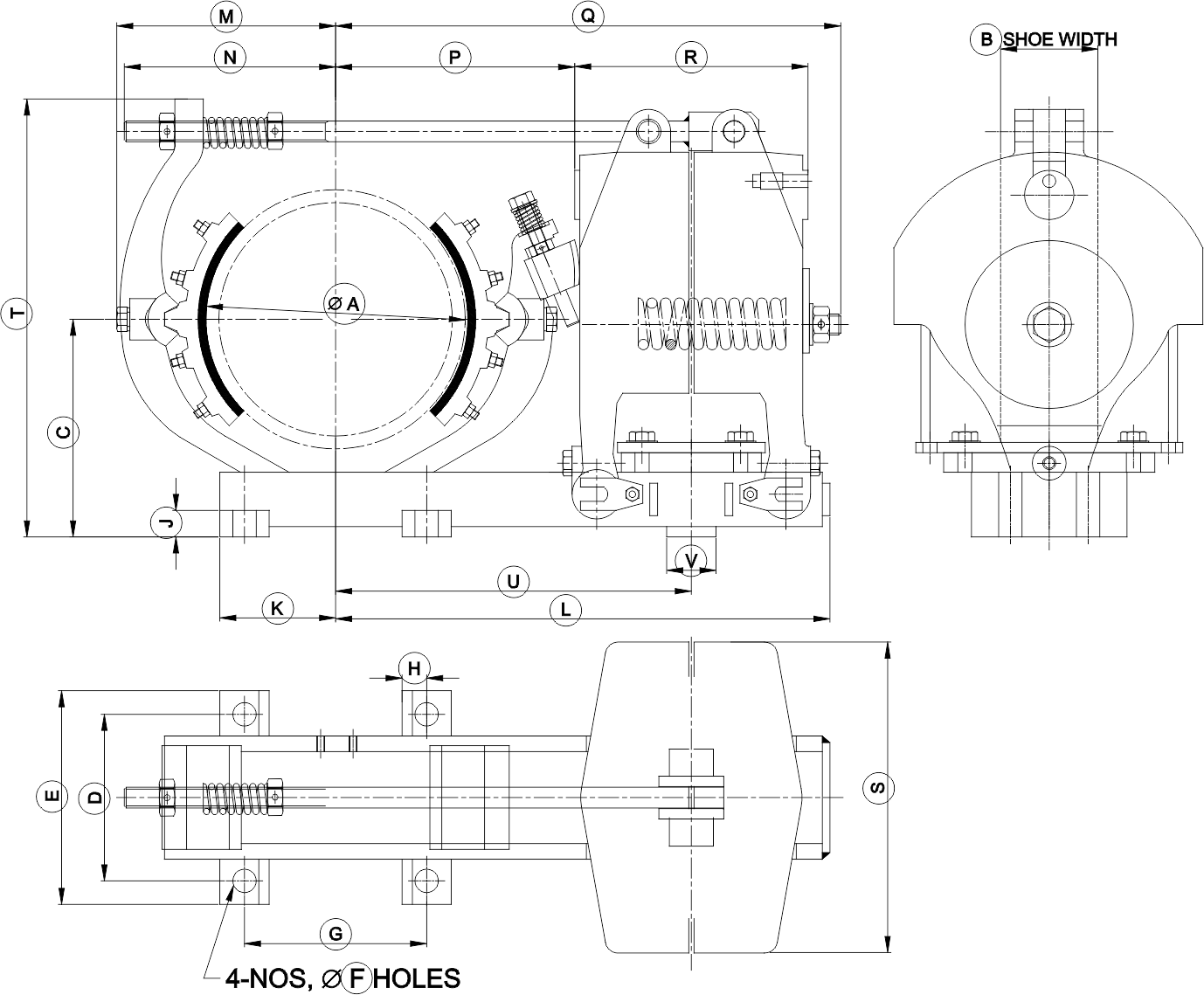
Dimensional Details

Mobirise Website Builder
Mobirise Website Builder
Mobirise Website Builder
Mobirise Website Builder

ENQUIRY FORM

Address:

R - 638, T.T.C. Industrial Area, MIDC Industrial Area, Rabale, Navi Mumbai, Maharashtra 400701 

Feedback
  • Please send us your ideas, bug reports, suggestions! Any feedback would be appreciated.